首页 产品技术原理 产品分类、外形尺寸和接口安装方式 产品技术参数 产品技术应用 用户工况参数表 和我们联系
当前页:产品介绍

产品介绍

 

 

 

 

 

 

 

 

 

 

*产品技术原理

压力:压力是流体技术领域中的一个重要物理量。一般说来,压力是指流体介质的作用于单位面积上的力,它与应力有着相同的量纲,两者仅在物理意义上有所不同。

衡量压力的单位是Pa,kPa,Mpa。

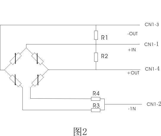
被测量流体介质的压力作用在硅芯片上,或者不锈钢膜片上,通过硅油传递给压力敏感元件硅芯片上(参看图一)或直接传递到硅芯片上,芯片上有四组蚀刻在芯片表面上的压敏电阻组成的惠斯登电桥(参看图二),在压力的作用下,膜片产生机械变形,桥路失去平衡而产生一个毫伏信号,经放大器后输出与压力变化保持线性关系的电信号,这一过程被称作是压力电信号的变送过程。

如果测量的压力与给定指令同时提供给控制电路,压力信号的不同将驱动电磁阀改变流量以达到控制压力的目的,这一过程被称作为压力的控制过程。(参看图三压力控制器系统工作框图)。

图一 压力传感器

图二 惠斯登电桥

图三 压力控制器系统工作框图

返回

*产品分类、外形尺寸及接口连接方式

(一)、产品分类

压力控制器分上游压力控制器和下游压力控制器两种。

(1)、上游压力控制器型:压力控制器保持其上游压力跟踪指令信号。压力控制器安装在被控压力容器的出气端,进行压力测量和压力控制。(见图4)

图4 上游型压力控制

(2)、下游压力控制器型:压力控制器保持其下游压力跟踪指令信号。压力控制器安装在压力容器的进气端,进行压力测量和压力控制。提供给压力控制器的进气压力必须大于压力容器的被控制压力(见图5)

图5 下游型压力控制


(二)、外型尺寸。附图6

图6 压力控制器外型

(三)、接口连接方式

1、电气连接方式

图7八芯插座端子

3、气路接口连接方式、接口连接方式为 附图8

图8 双锥卡套密封连接

返回


*产品技术参数

控制器外给定指令信号 0~5VDC或4~20mA输入
机械连接 标准ø3双锥卡套密封螺纹连接
电气连接 RG45898C标准端子
压力控制范围 5KPa(F.S.)~10MPa(F.S.)
系统流量范围 0~10000sccm(N2)(可扩展)
精度 ±0.5%(F.S.)
重复性 ±0.1%(F.S.)
量程比 20:1
控制型式 上游压力控制或下游压力控制
阀的类型 常闭
材料 不锈钢、氟橡胶
电源 ±15VDC
输出信号 标准0~5VDC或者4~20mA
温度补偿范围 0~60°C
使用环境温度范围 0~85°C
最大过载能力 满量程压力三倍

返回

 

*产品技术应用

目前已广泛应用于石油、化工、半导体、医疗仪器、生物工程、燃烧控制、配气、环境监测、精密仪器、科研、计量、食品、冶金、航天航空。特别是压力控制器是北京圣业科技发展有限公司在国内独立首创奉献给广大用户高技术产品。

在许多领域中,对压力进行控制的方式多见于各种手动调节阀,配以各种标准或精密的压力表,来完成对压力的监控。该方式虽然简单,但在科技飞速发展、过程控制高度集成化的今天,已不能满足要求。

为适应过程控制计算机全面管理的要求,也形成了一种压力电子控制方式,其形式采用压力传感器,电磁控制阀、联接PID电子线路,实施对压力的监控。与此同时,对流量也要实行监测,需配备一台流量计。

此种方式虽可满足计算机控制的要求,但也存在着许多的问题,传感压力与控制压力存在着一个明显的时滞,对于某一设定点的压力控制,其输出状态是脉动的,而非恒定的压力输出。电磁控制阀的非线性特性,降低了压力控制的精度及重复性,特别是当压力控制是依照一定的速率进行程序控制时,它不能很好的适应。

SY-94系列压力电子控制器从根本上解决了这些问题,压力传感器、压力控制阀,电子线路三部分组成一个闭环的控制系统,压力传感器输出一个与气体压力相对应的电信号,该电信号经放大后用于控制阀和输出信号,若测量压力与设定值不符,控制电路反馈调节阀驱动电路,改变阀的开度,从而实现闭环的动态实时压力控制,压力电子控制器在标定时,既已考虑了流量变化时对压力控制所产生的影响;

因此在系统给定的最大流量范围内,压力电子控制器无论流量怎样变化,均保证设定点的压力恒定输出;由于闭环控制系统,压力控制通过反馈调节,实时跟踪,其压力控制动态响应在1秒至15秒之内完成(与压力容器有关),这样对于按一定速率变化的压力编程就可完全满足要求。

SY-94系列压力控制最小设定值,可以达到几个Pa,控制精度可以达到0.5或者更高。SY-94系列压力控制器还可以与SY-94系列质量流量控制器配套使用,可全面提高各类系统设计的自动化控制程度。SY-94B系列产品最突出的特点是体积小巧,控制稳定性高,在分析仪器行业,如色谱仪等有着广泛的使用前景。

 

返回

用户工况参数表下载